4 Channel Millimeter Wave Radar With HD Cameras For Mining Trucks Construction Machinery Blind Spot Detection
Improve Safety for Heavy-Duty Vehicles in Complex Environments
Large vehicles such as mining trucks, construction machinery, and industrial transport vehicles operate in environments where safety risks are significantly higher.
Limited visibility, blind spots, dust, rain, and low-light conditions make it difficult for drivers to detect nearby obstacles or pedestrians.
Traditional camera systems provide visual monitoring, but they cannot always detect objects early enough, especially in harsh working environments.
To solve these challenges, our Radar and Camera Fusion Safety System provides a smarter and more reliable collision warning solution for heavy-duty vehicles.
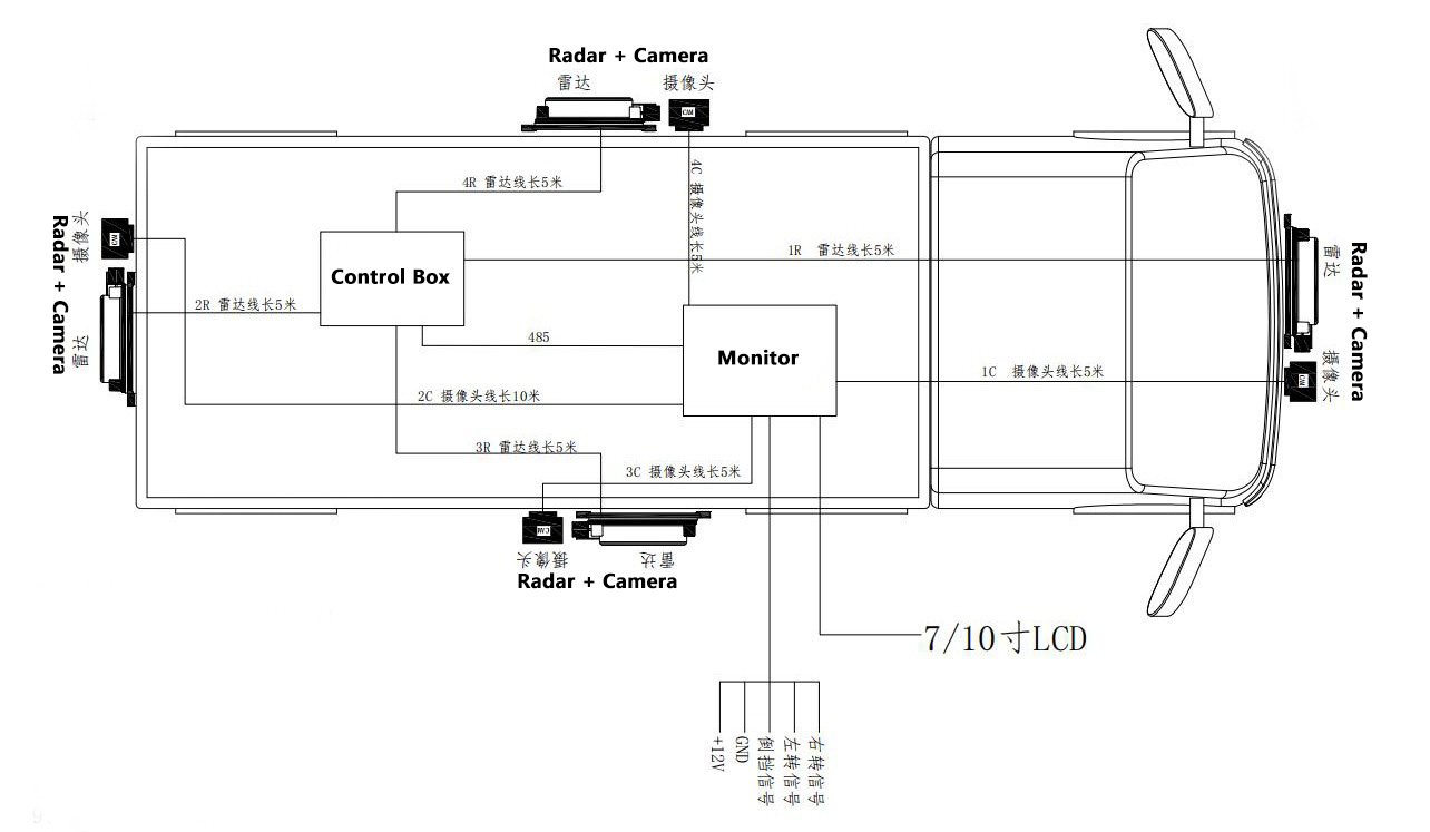
Smart Radar + Camera Fusion Technology
This system combines millimeter wave radar sensors with high-definition cameras to deliver accurate detection and real-time visual warnings.
The radar continuously scans the surrounding area and detects objects entering the configured safety zone.
Once a potential risk is detected, the system overlays a visual warning box directly on the camera image, allowing the driver to instantly identify the danger location.
By combining radar detection with camera monitoring, the system significantly improves driver awareness and reduces accident risks.
360° Blind Spot Detection
The system includes four millimeter-wave radars and four HD cameras installed around the vehicle.
Each radar monitors one direction independently, creating a 360-degree detection area around the vehicle.
Drivers can monitor front, rear, left, and right blind spots in real time.
This makes the system ideal for large vehicles where blind spots are unavoidable.
Adjustable Detection Zones
Each radar supports independent configuration.
Users can customize the detection area based on vehicle type and operating conditions.
Typical configuration includes:
-
Detection distance up to 40 meters
-
Detection width 4 meters on each side
-
Independent warning zone setup for each radar
Flexible configuration allows the system to adapt to different vehicle sizes and working environments.
Easy Configuration Through Mobile APP
The system includes a dedicated mobile APP for quick configuration.
Users can easily adjust:
-
Radar detection distance
-
Warning zones
-
Alarm sensitivity
-
System parameters
This allows installers and fleet managers to quickly optimize the system for different applications.
Visual Collision Warning
When an object enters the warning zone, the system immediately triggers a warning.
A visual alert box appears directly on the camera image, clearly indicating the position of the detected object.
Compared with traditional audio alarms, visual warnings help drivers react faster and avoid potential collisions.
Video Recording with Radar Event Data
The system also supports video recording with radar detection data.
All video footage can be recorded while radar warning information is synchronized with the video.
This provides valuable data for:
-
Accident investigation
-
Driver training
-
Safety analysis
-
Fleet management
Reliable Performance in Harsh Environments
Millimeter wave radar technology performs reliably even in difficult conditions.
Unlike camera-only systems, radar detection is not affected by environmental factors, including:
-
Dust
-
Rain
-
Fog
-
Darkness
-
Low visibility
This makes the system particularly suitable for heavy industrial environments.
Ideal Applications
This radar camera fusion safety system is widely used in industries such as:
-
Mining trucks
-
Construction machinery
-
Excavators
-
Quarry vehicles
-
Agricultural machinery
-
Heavy-duty trucks
-
Industrial transport vehicles
Any large vehicle operating in complex environments can benefit from improved safety awareness.













Reviews
There are no reviews yet.